FULL FLOW - Series RPV

2- and 3-Way, Normally Open, with threaded ports, PN32, DN 8 - 40

FEATURES

Ruggedly built valve, particularly recommended for use with steam, oil, superheated water, corrosive fluids and non-flammable gas

Seat rings, packing and piston seals can be easily exchanged.

Replacing a piston seal is considerably easier and quicker then exchanging a diaphragm on conventional diaphragm valves

Enclosed pistons, seals and springs are protected from dirt

High-performance, self-adjusting, spring-loaded, maintenance-free packing, resistant to thermal shock

Vacuum operation

Stainless steel body

Allowable backpressure: up to 32 bar

Applicable at low and high ambient temperatures in the range from -45 to +230 °C.

The valves can be mounted in any position without affecting operation

 

PRODUCT ADVANTAGES:

- Compact Design

- Self-Regulating Packing

- Non-Corrosive Materials

- High sealing effect

- Long Life

- Universally for all Mediums

- Easy Maintenance

- High Performance

- Robust Design

 

GENERAL INFORMATION

Maximum operating pressure:

32 bar

Temperature range:

– 45 °C to + max. 230 °C

Pilot pressure:

2.5 – 3.5 bar

Operating fluids:

Steam / Saturated Steam, superheated water, vacuum, liquid or gaseous aggressive and non-aggressive media, including oil and gas containing hydrogen sulfide (H2S)

 

FLOW RATES – RPV Series:

Model Number

Pipe Size

DN

Flow coefficient Kv

mixer

distributor

3 => 2

1 => 2

2 => 3

2 => 1

m3/h

l/min

m3/h

l/min

m3/h

l/min

m3/h

l/min

NC – Normally Closed

RPV-321-10B

3/8"

10

1.8

30

1.93

32.17

1.67

27.84

2.18

36.34

RPV-321-15B

1/2"

15

3.47

57.85

3.5

58.35

3.46

57.68

3.6

60

RPV-321-20B

3/4"

20

7.06

117.7

5.31

88.52

7.33

122.19

5.13

85.52

RPV-321-25B

1"

25

13.9

231.7

9.2

153.36

10.73

178.87

9.63

160.53

RPV-321-32B

1 1/4"

32

20.6

343.4

15.1

251.72

17.1

285.06

16.1

268.4

RPV-321-40B

1 1/2"

40

25.1

418.42

18.31

305.23

20.92

348.74

18.9

315.06

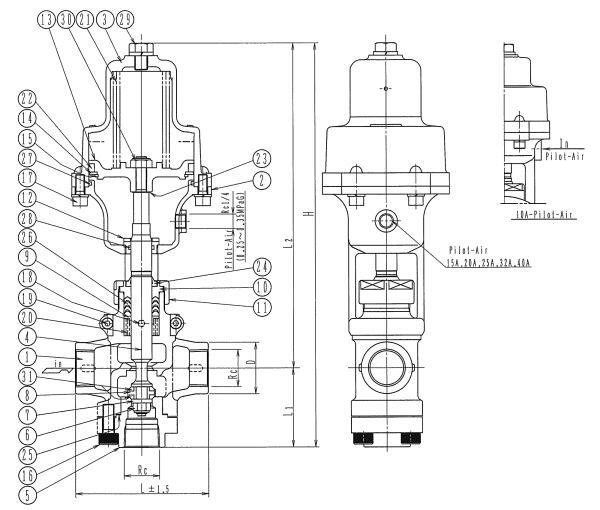
No.

Part Name

Materials

No.

Part Name

Materials

1

Body

SCS13 = 1.4308

16

Cap Screw

SUS304 = 1.4301

2

Yoke Stand

FCD450 = GGG-40.3

17

Cap Screw

SUS304 = 1.4301

3

Cylinder

FCD450 = GGG-40.3

18

Cap Screw

SUS304 = 1.4301

4

Stem

SUS403 = 1.4000

19

Cap Screw

SUS304 = 1.4301

5

Lower Seat Flange

S25C = 1.1158

20

Packing Spring

SUS304-WPB

6

U-Nut

SUS304 = 1.4301

21

Spring

SUP6

7

Guide Washer

SUS304 = 1.4301

22

Piston Ring

Teflon (PTFE)

8

Disc Adapter

SUS304 = 1.4301

23

Gasket

562-1

9

Ring Washer

C3602 – Brass

24

Dust Seal

SUS304 + 763-1

10

Gland

C3602 – Brass

25

Lower Seat Gasket

562-1

11

Gland Nut

S25C = 1.1158

26

Packing

763-1

12

Guide Bushing

C3602 – Brass

27

O-Ring

640

13

Piston

FCD450 = GGG-40.3

28

O-Ring

640

14

Set Ring Plate

SS400

29

Bolt

SS400

15

Retaining Ring

S60CM

30

Piston Nut

SUS304 = 1.4301

 

Model Selection / Dimensions:

Model Number

Rc / BS-PT

D

L

L1

L2

H

Weight, kg

2-Way

3-Way

RPV-221-10B

RPV-321-10B

3/8"

30

85

50

184

234

3

RPV-221-15B

RPV-321-15B

1/2"

32

85

50

250

300

4

RPV-221-20B

RPV-321-20B

3/4"

40

110

66

291

357

6.8

RPV-221-25B

RPV-321-25B

1"

46

120

71

314

385

10

RPV-221-32B

RPV-321-32B

1 1/4"

56

145

92

378

470

15.8

RPV-221-40B

RPV-321-40B

1 1/2"

62

150

92

378

470

16.2

 

Regell GmbH
Germany
phone: +49 (691) 730 98 730
© 2013, Regell GmbH