REDUCED FLOW - Series RPV-R

2- and 3-Way, Normally Open, with threaded ports, PN32, DN 8 - 40

 

FEATURES

Valves with reduced flow rate. More compact and cheaper than the standard valves series RPV.

Ruggedly built valve, particularly recommended for use with steam, oil, superheated water, corrosive fluids and non-flammable gas

Seat rings, packing and piston seals can be easily exchanged.

Replacing a piston seal is considerably easier and quicker then exchanging a diaphragm on conventional diaphragm valves

Enclosed pistons, seals and springs are protected from dirt

High-performance, self-adjusting, spring-loaded, maintenance-free packing, resistant to thermal shock

Vacuum operation

Stainless steel body

Allowable backpressure: up to 32 bar

Applicable at low and high ambient temperatures in the range from -45 to +230 °C.

The valves can be mounted in any position without affecting operation

 

PRODUCT ADVANTAGES:

- Very Compact Design

- Self-Regulating Packing

- Non-Corrosive Materials

- High sealing effect

- Long Life

- Universally for all Mediums

- Easy Maintenance

- High Performance

- Robust Design

 

GENERAL INFORMATION

Maximum operating pressure:

32 bar

Temperature range:

– 45 °C to + max. 230 °C

Pilot pressure:

2.5 – 3.5 bar

Operating fluids:

Steam / Saturated Steam, superheated water, vacuum, liquid or gaseous aggressive and non-aggressive media, including oil and gas containing hydrogen sulfide (H2S)

 

FLOW RATES – RPV-R Series:

Model Number

Pipe Size

DN

Flow coefficient Kv

mixer

distributor

3 => 2

1 => 2

2 => 3

2 => 1

m3/h

l/min

m3/h

l/min

m3/h

l/min

m3/h

l/min

NC – Normally Closed

RPV-R-321-15B

1/2"

15

1.93

32.17

2.75

45.84

2.1

35

2.56

42.68

RPV-R-321-20B

3/4"

20

3.2

53.34

4.4

73.35

3.7

61.68

4.9

81.68

RPV-R-321-25B

1"

25

8.34

139.03

7.22

120.36

7.65

127.53

7.45

124.2

RPV-R-321-32B

1 1/4"

32

15.67

261.22

10.84

180.7

13.5

225.05

13.49

224.88

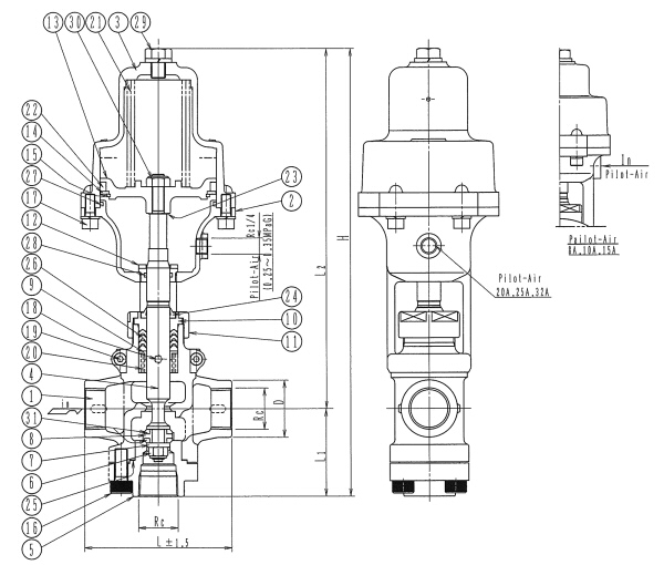
No.

Part Name

Materials

No.

Part Name

Materials

1

Body

SCS13 = 1.4308

16

Cap Screw

SUS304 = 1.4301

2

Yoke Stand

FCD450 = GGG-40.3

17

Cap Screw

SUS304 = 1.4301

3

Cylinder

FCD450 = GGG-40.3

18

Cap Screw

SUS304 = 1.4301

4

Stem

SUS403 = 1.4000

19

Cap Screw

SUS304 = 1.4301

5

Lower Seat Flange

S25C = 1.1158

20

Packing Spring

SUS304-WPB

6

U-Nut

SUS304 = 1.4301

21

Spring

SUP6

7

Guide Washer

SUS304 = 1.4301

22

Piston Ring

Teflon (PTFE)

8

Disc Adapter

SUS304 = 1.4301

23

Gasket

562-1

9

Ring Washer

C3602 – Brass

24

Dust Seal

SUS304 + 763-1

10

Gland

C3602 – Brass

25

Lower Seat Gasket

562-1

11

Gland Nut

S25C = 1.1158

26

Packing

763-1

12

Guide Bushing

C3602 – Brass

27

O-Ring

640

13

Piston

FCD450 = GGG-40.3

28

O-Ring

640

14

Set Ring Plate

SS400

29

Bolt

SS400

15

Retaining Ring

S60CM

30

Piston Nut

SUS304 = 1.4301

 

Model Selection / Dimensions:

Model Number

Rc / BS-PT

D

L

L1

L2

H

Weight, kg

2-Way

3-Way

RPV-R-221-08B

RPV-R-321-08B

1/4"

30

85

50

184

234

2.8

RPV-R-221-10B

RPV-R-321-10B

3/8"

30

85

50

184

234

2.8

RPV-R-221-15B

RPV-R-321-15B

1/2"

32

85

50

184

234

3.8

RPV-R-221-20B

RPV-R-321-20B

3/4"

40

110

66

250

316

6.6

RPV-R-221-25B

RPV-R-321-25B

1"

46

120

71

291

362

9.8

RPV-R-221-32B

RPV-R-321-32B

1 1/4"

56

145

92

314

406

15.6

 

Regell GmbH
Germany
phone: +49 (691) 730 98 730
© 2013, Regell GmbH