REDUCED FLOW - Series RPV-R

2- and 3-Way, Normally Closed, with flanges, PN32, DN 8 - 40

 

FEATURES

Valves with reduced flow rate. More compact and cheaper than the standard valves series RPV.

Ruggedly built valve, particularly recommended for use with steam, oil, superheated water, corrosive fluids and non-flammable gas

Seat rings, packing and piston seals can be easily exchanged.

Replacing a piston seal is considerably easier and quicker then exchanging a diaphragm on conventional diaphragm valves

Enclosed pistons, seals and springs are protected from dirt

High-performance, self-adjusting, spring-loaded, maintenance-free packing, resistant to thermal shock

Vacuum operation

Stainless steel body

Allowable backpressure: up to 32 bar

Applicable at low and high ambient temperatures in the range from -45 to +230 °C.

The valves can be mounted in any position without affecting operation

 

PRODUCT ADVANTAGES:

- Very Compact Design

- Self-Regulating Packing

- Non-Corrosive Materials

- High sealing effect

- Long Life

- Universally for all Mediums

- Easy Maintenance

- High Performance

- Robust Design

 

GENERAL INFORMATION

Maximum operating pressure:

32 bar

Temperature range:

– 45 °C to + max. 230 °C

Pilot pressure:

2.5 – 3.5 bar

Operating fluids:

Steam / Saturated Steam, superheated water, vacuum, liquid or gaseous aggressive and non-aggressive media, including oil and gas containing hydrogen sulfide (H2S)

 

FLOW RATES – RPV-R Series:

Model Number

Pipe Size

DN

Flow coefficient Kv

mixer

distributor

3 => 2

1 => 2

2 => 3

2 => 1

m3/h

l/min

m3/h

l/min

m3/h

l/min

m3/h

l/min

NC – Normally Closed

RPV-R-312-15D

1/2"

15

1.93

32.17

2.75

45.84

2.1

35

2.56

42.68

RPV-R-312-20D

3/4"

20

3.2

53.34

4.4

73.35

3.7

61.68

4.9

81.68

RPV-R-312-25D

1"

25

8.34

139.03

7.22

120.36

7.65

127.53

7.45

124.2

RPV-R-312-32D

1 1/4"

32

15.67

261.22

10.84

180.7

13.5

225.05

13.49

224.88

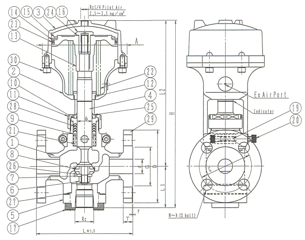
No.

Part Name

Materials

No.

Part Name

Materials

1

Body

SCS13 = 1.4308

16

Tension Nut

S25C = 1.1158

2

Yoke Stand

FCD450 = GGG-40.3

17

Cap Screw

SUS304 = 1.4301

3

Cylinder

FCD450 = GGG-40.3

18

 

 

4

Stem

SUS403 = 1.4000

19

Cap Screw

SUS304 = 1.4301

5

Lower Seat Flange

S25C = 1.1158

20

Cap Screw

SUS304 = 1.4301

6

U-Nut

SUS304 = 1.4301

21

Packing Spring

SUS304-WPB

7

Guide Washer

SUS304 = 1.4301

22

Spring

SUP6

8

Disc Adapter

SUS304 = 1.4301

23

Piston Ring

Teflon (PTFE)

9

Ring Washer

C3602 – Brass

24

Gasket

562-1

10

Gland

C3602 – Brass

25

Dust Seal

SUS304 + 763-1

11

Gland Nut

S25C = 1.1158

26

Disc Ring

Teflon (PTFE)

12

Guide Bushing

C3602 – Brass

27

Lower Seat Gasket

562-1

13

Piston

FCD450 = GGG-40.3

28

Packing

763-1

14

Set Ring Plate

SS400

29

Flange

S25C = 1.1158

15

Retaining Ring

S60CM

30

Cap Screw

SUS304 = 1.4301

 

Model Selection / Dimensions:

Model Number

DN

Rc

L

Flange Size

L1

L2

H

A

Weight, kg

2-Way

3-Way

D

C

G

T

f

Bolt

N

h

S

RPV-R-212-08D

RPV-R-312-08D

8

1/4"

146

 

 

 

 

 

 

 

 

 

 

 

 

 

RPV-R-212-10D

RPV-R-312-10D

10

3/8"

146

90

65

46

14

1

4

15

M12

50

165

215

93

4.3

RPV-R-212-15D

RPV-R-312-15D

15

1/2"

146

95

70

51

14

1

4

15

M12

50

165

215

93

4.3

RPV-R-212-20D

RPV-R-312-20D

20

3/4"

146

100

75

56

16

1

4

15

M12

66

196

262

100

5.7

RPV-R-212-25D

RPV-R-312-25D

25

1"

167

125

90

67

16

1

4

19

M16

71

230

301

126

9

RPV-R-212-32D

RPV-R-312-32D

32

1 1/4"

190

135

100

76

18

2

4

19

M16

92

250

343

147

12.8

RPV-R-212-40D

RPV-R-312-40D

40

1 1/2"

190

140

105

81

18

2

4

19

M16

92

295

387

189

20

 

Regell GmbH
Germany
phone: +49 (691) 730 98 730
© 2013, Regell GmbH